- BERREV型球阀用部分回转智能开关型阀门电动执行器DQW5
详细信息
加工定制:是 品牌:BERRE 型号:DQW5 驱动能源:电动 产品用途:控制部分回转类阀门的开启和关闭 一、硬密封对夹电动不锈钢蝶阀执行机构概述
Q型阀门电动执行器适用于蝶阀,球阀,旋塞阀等部分回转阀门和类似设备,该产品结构紧凑,起动转矩大,控制精度高,功能齐全,性能可靠,安装调整简便。Q型为一体结构(区别于叠加结构),它与阀门配套组成电动阀门,用来驱动和控制阀门的开启和关闭,操作人员既能在控制室内远距离对阀门进行控件,亦能在现场进行操作。
该产品广泛应用于给排水,供热,电站,化工,食品,纺织,造纸,制药,船舶,钢铁,煤炭等工业部门。
按使用环境分:Q为户外型,QB为隔爆型,QZ为整体型,QT为整体调节型,QBZ为整体隔爆型,QBT为调节隔爆型。转矩范围:50N.m—5000N.m。
二、硬密封对夹电动不锈钢蝶阀执行机构技术条件和性能参数
电源:电机为三相交流,380V(特殊订货660V,415V或220V),50HZ;
控制线电压220V/50HZ; 远程控制电压24VDC。
工作环境
环境湿度:-20~+60℃(特殊订货-60~+80℃)
相对湿度:≤90%(25℃时)
普通型和户外型用于无易燃/易爆和无腐蚀性介质的场所;防爆型产品有dI和dIIBT4两种,
dI适用于煤矿非采掘工作面;dIIBT4用于工厂,适用于环境为IIA,IIB级T1-T4组的爆炸性气体混合物
防护等级:户外型和防爆型为IP55(可订制IP65)
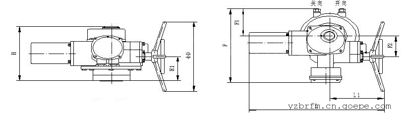
工作制:为短时10分钟三、硬密封对夹电动不锈钢蝶阀执行机构外形和外形尺寸见表3和图3
表3型号 F1 F2 H1 H2 L L1 ΦD Q1 207 100 227 389 477 260 200 QB1 311 100 262 444 527 310 200 Q2 252 145 293 455 550 323 375 QB2 356 145 336 510 584 363 375 Q3 282 180 311 459 662 390 510 QB3 386 180 346 495 662 390 510
注:QB为隔爆型
H1为户外型,隔爆型
H2为整体型,整体调节型
-
供应商的其他相关信息
查看更多
扫一扫,手机浏览
















